Seite 1 von 1
Vorgehensweisen
Verfasst: So 31. Jan 2021, 11:16
von oldcoolman
Hi!
Wie geht man mit Dreistockklemmen um? Wie ertsellt (zeichnet) man Brücken?
Re: Vorgehensweisen
Verfasst: So 31. Jan 2021, 19:26
von oldcoolman
Ich habe es zum Teil herausgefunden. Mehrebenenklemmen kann man bei der Erstellung einer Klemmleiste einstellen.
Nur setzt man dann immer mit dem Klemmen-Werkzeug die A- Klemme ab. Um auf die B bzw C Ebene zu wechseln mußte ich die Klemmen einzeln händisch abändern. Beim Kopieren zählt das Werkzeug immer hoch, egal ob A B oder C kopiert wird. Es bräuchte hier pro Ebene einen Zähler.
Es kann natürlich sein, dass ich mich zu unwissend anstelle

Brücken werden gezeichnet, und anschließend in den Eigenschaften als Brücke angehakt.
Re: Vorgehensweisen
Verfasst: Mi 10. Feb 2021, 18:49
von coolmen66
Guten Tag,
ich habe auch Propleme mit 3 Stockklemme. kann mir jemand erklären wie das funktiomiert ?
Ich bekomme kein Klemmen mit der Ebene B und C.
Gruß Eric
Re: Vorgehensweisen
Verfasst: Sa 13. Feb 2021, 16:02
von oldcoolman
Nach dem Klick auf neue Klemmleiste kann man in dem erscheinenden popup Fesnster die Anzahl der Ebenen 1, 2, 3 oder 4 einstellen.
Danach sind die Ebenen A,B,C,D je nach Einstellung zugänglich.
Eine existierende Klemmleiste kann man umändern, indem man im rechten Fenster im rider 'Projekt' mit der rechten Maustaste auf die entsprechende Klemmleiste klickt. Es erscheind wiederum das popup Fenster, in dem man die Anzahl der Ebenen einstellen kann.
Re: Vorgehensweisen
Verfasst: So 14. Feb 2021, 17:28
von Raspberry
Der Umgang mit mehr als einer Ebene ist wirklich noch nicht ausgereift, da werde ich wohl noch mal ran müssen...
Re: Vorgehensweisen
Verfasst: Di 2. Mär 2021, 18:54
von coolmen66
Vielen Dank,
Hilft mir aber erst mal weiter
gruß Eric
Re: Vorgehensweisen
Verfasst: Do 27. Nov 2025, 19:37
von mcfreis
Hallo zusammen,
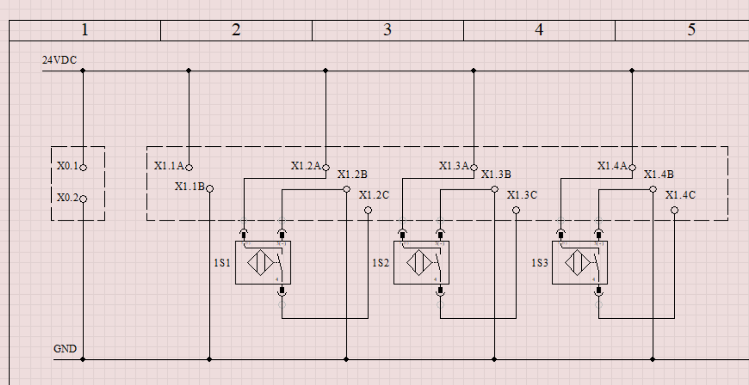
ich bin seit 2 Tagen Nutzer der Software, echt Klasse das Programm! Leider habe ich auch Probleme mit den Brücken an den 3 Stockklemmen. Ich habe mal zwei Bilder angehängt. Wie kann man die Brücken aus dem Plan in der Tabelle sichtbar machen ohne das ich die Brücken manuell in den Plan einzeichne. Ich habe alle "uplinks" bzw. "downlinks" als Brücke eingestellt.

- Screenshot 2025-11-27 203728.png (237.54 KiB) 169 mal betrachtet

- Screenshot 2025-11-27 203538.png (151.45 KiB) 169 mal betrachtet
Gruß
Björn
Re: Vorgehensweisen
Verfasst: Sa 29. Nov 2025, 10:12
von PeKue
Hallo Björn,
damit dir die Brücken im Klemmenplan angezeigt werden, musst du die Brücken direkt zwischen die Klemmen ziehen (x1.1A-x1.2A-x1.3A). In deinem Beispiel bist du den Umweg über die Sammelschiene gegangen. Damit hat die Leitung, die du als Brücke gekennzeichnet hast keine direkte Verbindung zur nächsten Klemme und wird nicht als Brücke angezeigt.
Dann gibt es da noch ein kleines Fehlerchen, solltest du die Klemmen nach dem Setzen der "Brücken" noch bewegen, kann es passieren, dass die Leitungen die Kennzeichnung "Brücke" verlieren. Der Haken muss noch einmal neu gesetzt werden.
Gruß Peter