Hallo Forum,
ich bin neu hier, Rentner und habe viel Zeit und beschäftige mich viel mit Elektroinstallation in Häusern.
Ich muss gleich vorausschicken, dass ich "kein" Elektriker bin, alles was ich weiß habe ich mir hier im Netz bzw. durch lesen von Artikeln angeeignet.
Ich möchte auf diese Weise einem Bekannten helfen der gerade in Eigenregie sein Haus baut.
Es ist natürlich eine Elektrofirma in diesem Projekt eingebunden und ich möchte eigentlich diese nur entlasten.
Aufgrund einer Menge von Aufträgen die diese Fa. hat, kommt es auf der Baustelle immer wieder zu Verzögerungen, die ich durch mein zutun etwas mildern möchte.
Natürlich wird alles bevor ich etwas mache, vorher geprüft, wie gesagt, ich möche nur etwas Zeit von diesem Auftrag nehmen und weil ich das gerne mache.
Also da meine Gründe jetzt geklärt sind hab ich ein paar Fragen:
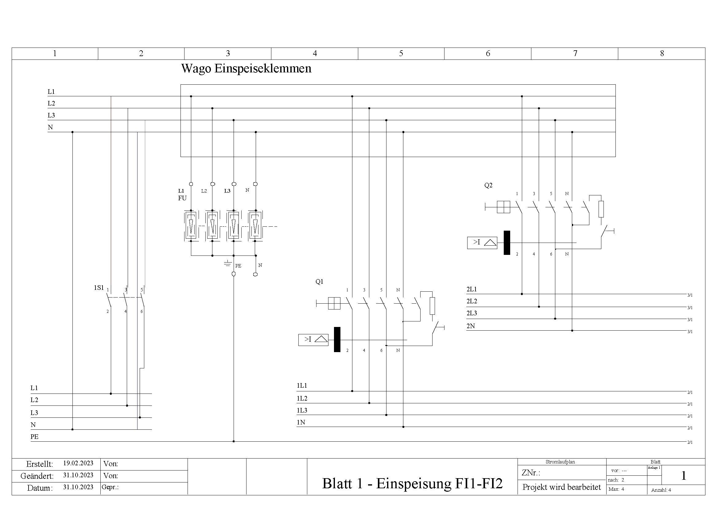
Es geht um die Unterverteilung einer Wohnung.
Ich habe oben 4 Potentiale, L1, L2, L3 und N, unten 5, L1, L2, L3, N, PE
An erster Stelle sitzt ein 3-poliger Hauptschalter zwischen den oberen und unteren Potentialen.
Füge ich den Schalter ein, verbindet er sich sofort mit den oberen Potentialen, meine Frage wie kann ich den Eingang des Schalters mit den unteren Potentialen verbinden.
Als nächstes finde ich kein Symbol für einen Überstromableiter, gibts da was?
So, jetzt bin ich mal gespannt was ich zu lesen bekomme.
Habt noch einen schönen Abend und im voraus schon vielen Dank.
LG Breze
Ist das so richtig?
Unterverteilung Wohnung 1
Unterverteilung Wohnung 1
- Dateianhänge
-
- Blatt 1.png (34.96 KiB) 8536 mal betrachtet
Re: Unterverteilung Wohnung 1
Moin
Also das fehlende Symbol für einen Überstromableiter hat vermutlich den Grund das es ein solches Gerät nicht gibt.
Ein Überspannungsableiter ist ja schon in der Zeichnung (L1 FU).
Wenn dir die Verbindungen nicht zusagen einfach mit rechte Maustaste anklicken und löschen.
Mit der Maus am Kontakt links klicken und dann zu dem Potential deiner Wahl ziehen und wieder links klicken. Gefällt dir der Automatische Weg nich kannst du den Weg bestimmen indem du jeden Eckpunkt klickst bis zu deinem Potential des Vertrauens
.
Man könnte auch bei dem Symbol einfach die Kontakte umbeschriften.
Nun bin ich mal gespannt wie dir das lesen gefallen hat
Grüße Jens
Also das fehlende Symbol für einen Überstromableiter hat vermutlich den Grund das es ein solches Gerät nicht gibt.
Ein Überspannungsableiter ist ja schon in der Zeichnung (L1 FU).
Wenn dir die Verbindungen nicht zusagen einfach mit rechte Maustaste anklicken und löschen.
Mit der Maus am Kontakt links klicken und dann zu dem Potential deiner Wahl ziehen und wieder links klicken. Gefällt dir der Automatische Weg nich kannst du den Weg bestimmen indem du jeden Eckpunkt klickst bis zu deinem Potential des Vertrauens

Man könnte auch bei dem Symbol einfach die Kontakte umbeschriften.
Nun bin ich mal gespannt wie dir das lesen gefallen hat

Grüße Jens
Re: Unterverteilung Wohnung 1
Hallo Jens,
erst mal danke für deine Antwort und Aufklärung.
Jetzt aber noch was, den Überspannungsableiter habe ich mir aus dem Forum heruntergeladen, aber wie bekomme ich den in die Symbolbibliothek, genau so den RCD?
Jetzt habe ich es so gemacht, dass ich einmal den Download mit den Symbolen RCD und Überspannungsableiter geöffnet habe, danach das Programm mit einem leeren Formular nochmals geöffnet und die beiden Symbole mit kopieren und einfügen in das leere Formular kopiert.
Nur, so ist es nicht in der Symbolbibliothek.
Gibt es da eine einfache Lösung wie ich die neuen Symbole ind die Bibliothek bekomme?
Wie gesagt, ich kenne das Programm erst seit ein paar Tagen und hab mit sowas noch nie gearbeitet aber bis auf das Problem das ich gerade geschildert habe und wie man Symbole bearbeitet und danach wieder unter einem anderen Namen speichert hab ich auch noch nicht herausgefunden.
So, ich denke das genügt für heute.
LG Josef
erst mal danke für deine Antwort und Aufklärung.
Jetzt aber noch was, den Überspannungsableiter habe ich mir aus dem Forum heruntergeladen, aber wie bekomme ich den in die Symbolbibliothek, genau so den RCD?
Jetzt habe ich es so gemacht, dass ich einmal den Download mit den Symbolen RCD und Überspannungsableiter geöffnet habe, danach das Programm mit einem leeren Formular nochmals geöffnet und die beiden Symbole mit kopieren und einfügen in das leere Formular kopiert.
Nur, so ist es nicht in der Symbolbibliothek.
Gibt es da eine einfache Lösung wie ich die neuen Symbole ind die Bibliothek bekomme?
Wie gesagt, ich kenne das Programm erst seit ein paar Tagen und hab mit sowas noch nie gearbeitet aber bis auf das Problem das ich gerade geschildert habe und wie man Symbole bearbeitet und danach wieder unter einem anderen Namen speichert hab ich auch noch nicht herausgefunden.
So, ich denke das genügt für heute.
LG Josef
Re: Unterverteilung Wohnung 1
Moin
Jo geht einfacher
Rechts unter Projekt Objektkatalog sind die Symbole vom Projekt vorhanden, da einfach rechts Maustaste und „In Bibliothek“ Standart- oder Benutzerbereich auswählen.
Sollte das nicht funktionieren, was mal vorkommen kann, gleiches wie oben aber „Symbol bearbeiten“ auswählen. Oben in der Mitte ist da ein grüner Haken und ein rotes Kreuz, links davon den Schraubenschlüssel anklicken, hier kann der Name angepasst werden und es MUSS eine Gruppe ausgewählt werden. „Ok“ den grünen Haken und dann „In Bibliothek“ aufnehmen. So kann man auch schön ein Symbol anpassen und unter neuen Namen sichern.
Es kommt vor das fremde Symbole eine Gruppe gewählt haben die im eigenem Projekt nicht angelegt ist, dann kann das Symbol nich in der Symbolik aufgenommen werden.
Die Gruppen lassen sich im Menue „Extras - Bibliotheksverwaltung“ erstellen oder bearbeiten.
So nun haste wieder was zum Testen
Een Moin Jens
Jo geht einfacher

Rechts unter Projekt Objektkatalog sind die Symbole vom Projekt vorhanden, da einfach rechts Maustaste und „In Bibliothek“ Standart- oder Benutzerbereich auswählen.
Sollte das nicht funktionieren, was mal vorkommen kann, gleiches wie oben aber „Symbol bearbeiten“ auswählen. Oben in der Mitte ist da ein grüner Haken und ein rotes Kreuz, links davon den Schraubenschlüssel anklicken, hier kann der Name angepasst werden und es MUSS eine Gruppe ausgewählt werden. „Ok“ den grünen Haken und dann „In Bibliothek“ aufnehmen. So kann man auch schön ein Symbol anpassen und unter neuen Namen sichern.
Es kommt vor das fremde Symbole eine Gruppe gewählt haben die im eigenem Projekt nicht angelegt ist, dann kann das Symbol nich in der Symbolik aufgenommen werden.
Die Gruppen lassen sich im Menue „Extras - Bibliotheksverwaltung“ erstellen oder bearbeiten.
So nun haste wieder was zum Testen

Een Moin Jens
Re: Unterverteilung Wohnung 1
Merci Jens,
du hast einen alten Mann glücklich gemacht - Danke.
LG Josef
du hast einen alten Mann glücklich gemacht - Danke.
LG Josef
Re: Unterverteilung Wohnung 1
Hallo zusammen,
ich hätte da nochmal ein paar Fragen.
Ich habe auf Corel-Draw eine Wago Einspeiseklemme gezeichnet und in DXF-Format ausgegeben, leider fehlen beim Import eine Menge an Linien.
Habe ich da was falsch gemacht oder gibt es was, was ich beachten muss?
Ist es richtig, wenn ich die in Originalgröße zeichne oder gibt es da Richtlinien?
LG Josef
ich hätte da nochmal ein paar Fragen.
Ich habe auf Corel-Draw eine Wago Einspeiseklemme gezeichnet und in DXF-Format ausgegeben, leider fehlen beim Import eine Menge an Linien.
Habe ich da was falsch gemacht oder gibt es was, was ich beachten muss?
Ist es richtig, wenn ich die in Originalgröße zeichne oder gibt es da Richtlinien?
LG Josef